邁世·機房監控體驗端
咨詢熱線
400-030-5510





OM-ACM-A802單相電量采集模塊是高度集成化的針對單相電量參數測量應用的產品,準確測量單相交流電壓、電流(真有效值測量)、有功功率、無功功率、功率因數、頻率、有功電度、無功電度等電參量。
400-030-5510

OM-ACM-A802單相電量采集模塊是高度集成化的針對單相電量參數測量應用的產品,準確測量單相交流電壓、電流(真有效值測量)、有功功率、無功功率、功率因數、頻率、有功電度、無功電度等電參量,RS-485通訊接口,具有極優的性價比。采用卡裝式結構,體積小巧、安裝方便,是電力參數采集行業的首選模塊。使用本產品時須通過RS-485接口按Modbus-RTU協議進行通訊,獲取所需的數字式電參量值。
適用于政府、電力、軍隊、銀行、電信、教育、醫院、機場、鐵路、工廠、酒店、倉庫、交通等行業,專為計算機網絡機房、通信機房、通信基站、電力基站、變電站、居民配電所、UPS機房、蓄電池組機房、戶外機柜、無人值守現場、倉庫等場景的單相電能計量與監測。
| 產品型號 | OM-ACM-A802 | 安裝方式 | 35mm 標準DIN導軌安裝 |
|---|---|---|---|
| 通信接口 | RS485 MODBUS-RTU標準規約,可選DLT645規約 | 電源 | DC+10~30V供電,峰值電壓不得超過+40V;典型功耗:≤0.5W |
| 波特率 | 默認9600,可選2400,4800,9600 數據格式N ,8,1 | 溫度漂移 | ≤50ppm/℃ |
| 交流輸入 |
輸入頻率:工頻,45~65Hz; 電壓量程(相電壓): 100V、260V、450V等可選; 電流量程:1A、5A,也可以配置精密互感器100A/50MA;50A/25ma等; 信號處理:采用專用測量芯片,24位AD采樣; 數據更新周期:0.05S~1.00S可配置; 過載能力:1.2倍量程可持續;瞬間電流5倍,電壓3倍量程不損壞; 輸入阻抗:電壓通道>1 kΩ/V;電流通道≤100mΩ; |
工作環境 |
工作溫度:-20~+70℃;存放溫度:-40~+85℃; 相對濕度:5~95%,無結露(在40℃下); 海拔高度:0~3000米; 環境:無爆炸、腐蝕氣體及導電塵埃,無顯著搖動、振動和沖擊場所; |
| 電能脈沖輸出 |
1路,可配置選擇的(絕對值和)有功或無功電能脈沖輸出; 脈沖輸出寬度為50mS,負脈沖; 每個脈沖當量為:儀表電壓量程*電流量程/2400 000度 |
隔離 | DC供電電源、RS-485接口間為共地,與電壓輸入、電流輸入之間相互隔離;隔離耐壓2500VDC |
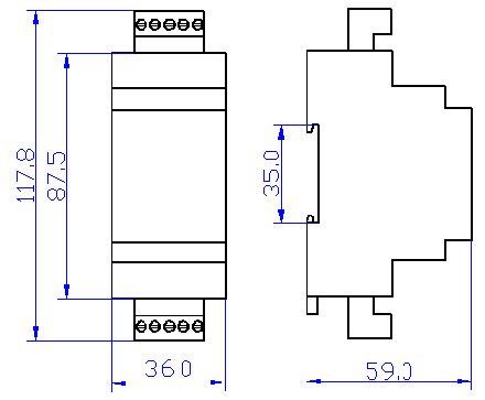
| 測量輸出數據 | 電壓、電流、功率、電能等10多個電參量 | 模塊尺寸 | 118×36×59mm |
| 測量精度 | 電壓、電流:±0.2%FS;電量:±0.5%FS | 認證 | 第三方檢測報告 |
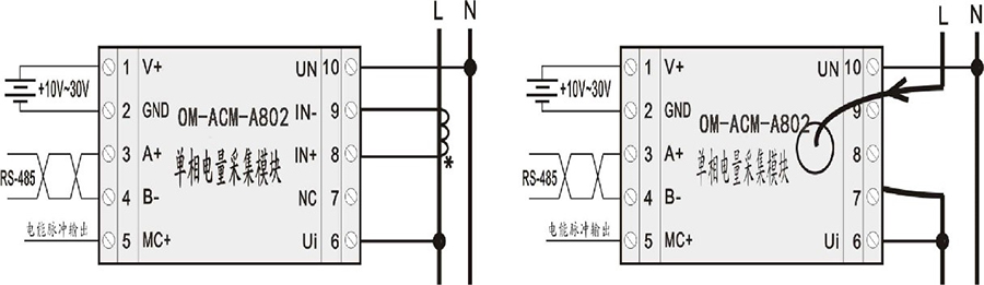
請根據產品規格型號,參照以上圖示正確接線。接線前要確保斷開所有信號源,避免發生危險及損壞設備。檢查確認接線無誤后,再接通電源測試。 接通電源后,“RUN”運行指示燈會根據設置的數據更新速率同步閃爍。
產品出廠時,均設置為默認配置:地址1號、波特率9600bps、數據格式“n,8,1”、數據更新速率為600ms、變比為1。
智慧機房在線體驗
邁世·機房監控體驗端
400電話
微信掃一掃